ARBUEO 170 tons er en sprøjtestøbemaskine designet specielt til laboratorieprøvetagning og klasseundervisning, som er blevet miniaturiseret og forbedret til produktionsbrug.
Feturer
1. Lille fodaftryk.
2. Let at betjene.
3. Omkostningseffektivitet.
4. Multifunktionalitet.
5. Energibesparelse og miljøbeskyttelse.
6. Nem vedligeholdelse.
7. Automatiseringsniveau.
8. Tilpasningsevne.
9. Stabilitet.
10. Sikkerhedsydelse.
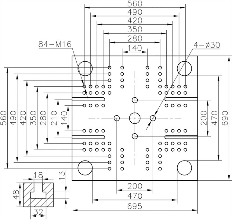
Pladens dimensioner


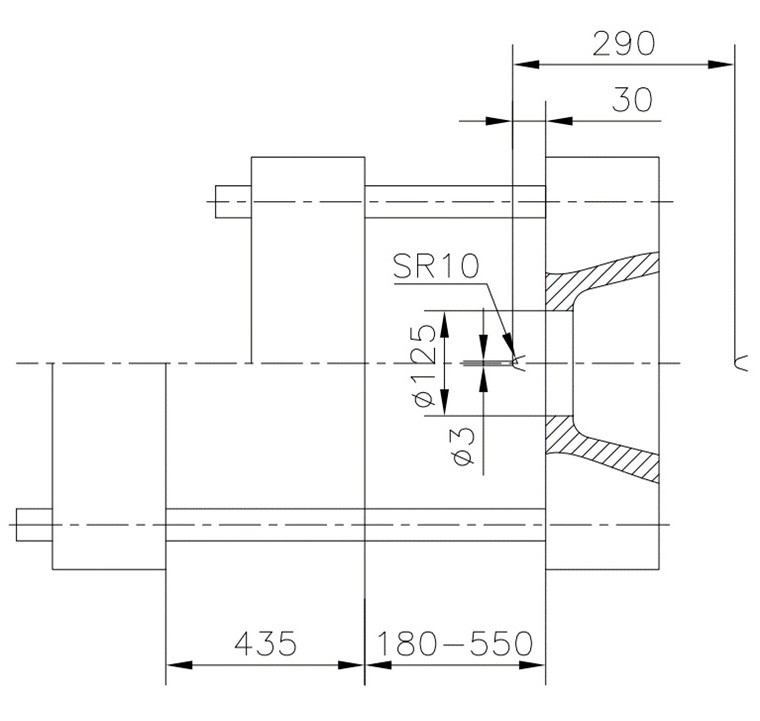
Maskinens dimensioner

Arbejdsprincip for lille vandret sprøjtestøbemaskine
Lille vandret sprøjtestøbemaskine er en enhed, der bruger smelteplast til at blive plastificeret og derefter sprøjtet ind i formen gennem et injektionssystem for at danne de nødvendige plastdele. Sprøjtestøbningsprocessen omfatter hovedsageligt trinnene plastificering, injektion, kompression, afkøling og formåbning. Specifikt smeltes plastikpartiklerne først gennem en opvarmnings- og plastificeringsmekanisme og sprøjtes ind i formen gennem en skrue i indsprøjtningsmekanismen. Derefter, efter at de nødvendige plastdele er dannet i formen, komprimeres de og afkøles gennem trykstyringssystemet, og til sidst åbnes formen, og plastdelene tages ud.
Ofte stillede spørgsmål
Populære tags: lille vandret sprøjtestøbemaskine, Kina små vandrette sprøjtestøbemaskine producenter, leverandører, fabrik








